
撥動世界 智造未來
小型化電子零部件制造廠家
專注?撥動開關研發生產 · 十年行業經驗
產品簡介 Product brief:
YX-K3-1250C是一款:貼片撥動開關-微型撥動開關-兩檔5PIN撥動開關廠家,因為體積小,多檔位,撥動力度均勻檔位感好,廣泛用于各種小型的數碼產品!
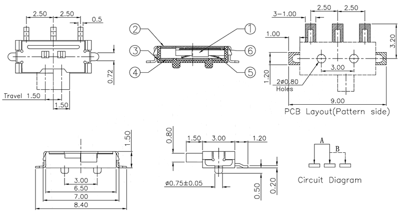
產品圖紙 Product drawing:

技術參數 technical parameter:
微型撥動開關技術參數:
1.額定負荷: DC 6V 300mA
2.接觸電阻: ≤50mΩ
3.絕緣阻抗: ≥100mΩ DC500V
4.使用溫度: -25℃+80℃
5.使用濕度: ≤85%RH
6.操作力 :200±100gf
7.使用壽命: 10,000 Cycles
如需了解更多貼片撥動開關-微型撥動開關-兩檔5PIN撥動開關廠家信息請關注:m.lhrcb.cn
穎鑫官方微信